Меню

Основание ЖИАЮ.711172.031

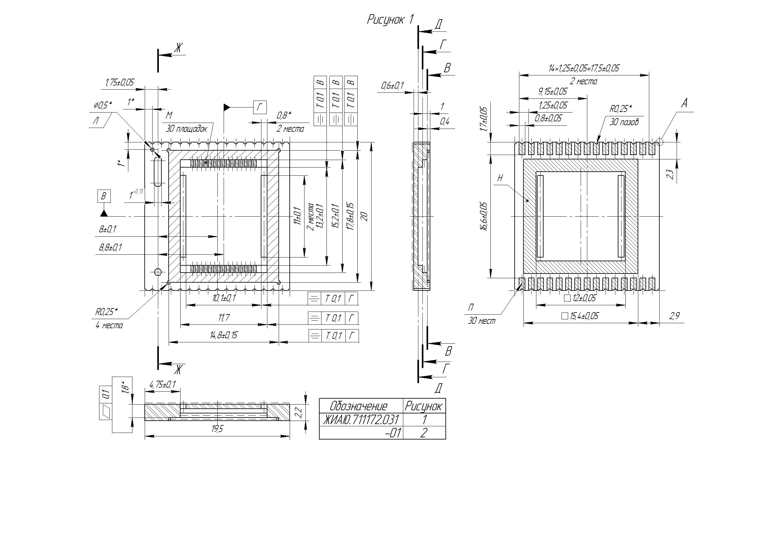
Специализированный вакуумно-плотный корпус предназначен для создания неохлаждаемых микроболометрических приемников, считывания с микроболометрической матрицей и диафрагмы, обеспечения передачи на микроболометры внешнего излучения через германиевое окно одновременно выполняющего функцию крышки. Разрабатываемые корпуса относятся к классу корпусов для приборов формирования видеосигнала тепловизионного изображения.

Марка керамики
ВК 94-1
Сопротивление токоведущих проводников Rпр, Ом, не более
розовый
Сопротивление изоляции Rиз, Ом, не менее
0,2
Сопротивление элемента нагревателя, Ом, не менее
109 при Uпр = 100 В
Температурный коэффициент линейного расширения, °С -1
[при t = (20 ÷ 900) °С]
6,0·10-6
Теплопроводность, Вт/м∙K
13,4
Диапазон рабочих температур, ºС
от – 70 до +155
Диапазон рабочих давлений, Па
0,67·103 ÷ 2,92·105
Габаритные размеры, мм
19,5 х 20,0 х 2,2
Размеры монтажного окна, мм
15,2 x 11,7
Глубина окна, мм
1,8
Размеры монтажной площадки, мм
13,2 х 10,1
Количество контактных площадок
30
Количество выводных площадок
30
Покрытие токопроводящих элементов
Н3 Зл3
Масса, г не более
3,0

Электрическое соединение

№ контактной площадки

1-30

№ выводной площадки

1’ - 30’

Другие соединения

Ободок электрически не соединен

Показать больше технических данных
    Загрузки
    Материалы для скачивания
    3D-модель
    pdf
    Чертеж
    jpg